Kontakt:
InfoNet a.s.
Novolíšeňská 18
628 00 Brno-Líšeň
tel: +420 544 422 177
fax: +420 544 422 188
e-mail: infonet@infotel.cz
Řešení CWDM v optických sítích
Vlnové dělení (WDM, Wavelength Division Multiplexing) umožňuje slučovat a rozdělovat optické signály pracující na různých vlnových délkách, a tak je přenášet paralelně po optickém vlákně.Technologie CWDM je forma vlnového multiplexu, kdy je v jediném optickém jednovidovém vlákně přenášeno najednou až 18 nezávislých optických signálů s různou vlnovou délkou. Každý přenášený optický signál o dané vlnové délce může nést odlišnou informaci s různou modulační rychlostí a s odlišným formátem dat (např. 100 Mbit/s nebo 1000 Mbit/s Ethernet, SDH kanál s rychlostí 155 Mbit/s (STM-1) až 2,5 Gbit/s (STM-16), digitální videosignál nebo technologii Fiber Channel sítí SAN s přenosovou rychlostí 1 Gbit/s nebo 2 Gbit/s).

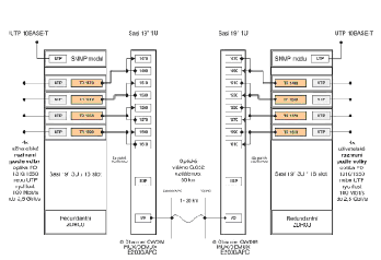
příklad řešení přenosu 4 kanálů po jednom vlákně
Reference
[10.9.2002]
UPC
Naše společnost UPC Česká republika, a.s. spolupracuje se společností InfoNet a.s. v oblasti komplexní výstavby multifunkčních optických a metalických rozvodů
[10.9.2002]
Brno - Slatina
Městská část Brno - Slatina spolupracuje se společností InfoNet a.s. v oblasti investiční výstavby optokabelových tras.
[10.9.2002]
Okresní úřad Brno venkov
Okresní úřad Brno - venkov, dnes Úřad pro zastupování státu ve věcech veřejných, spolupracoval se společností InfoNet a.s. v oblasti investiční výstavby optokabelových tras.
Aktuality
společnosti InfoNet a.s.
Všeobecné podmínky poskytování internetu společností InfoNet a.s., tvoří nedílnou součást účastnické smlouvy
pro uživatele internetu